Mga produkto
HOME > Mga Produkto
LB6-35 Kasalukuyang Transformer
  • LB6-35 Kasalukuyang TransformerLB6-35 Kasalukuyang Transformer
  • LB6-35 Kasalukuyang TransformerLB6-35 Kasalukuyang Transformer

LB6-35 Kasalukuyang Transformer

Tingnan ang LB6-35 Current Transformer na ito mula sa Welcome (Wenzhou) Electric Co., Ltd., isang propesyonal na tagagawa mula sa China – isang top pick para sa pagbili ng high-voltage na kagamitan. Ito ay binuo gamit ang cascade insulation para sa panlabas na paggamit, na iniakma sa 50Hz, 66kV neutral point na hindi epektibong pinagbabatayan na mga system, at mahusay na gumagana para sa pagsukat ng proteksyon ng kidlat.

Bilang isang propesyonal na 0.72-40.5kV Outdoor Current Transformer sa China, gusto ng Comewill na bigyan ka ng dekalidad na LB6-35 Current Transformer, na ipinagmamalaki ang mga solidong katangian ng excitation, maaasahang tumatakbo, at napakadaling mapanatili. May selyadong istraktura at isang metal expander sa itaas, ito ay binuo upang tumagal. Perpekto para sa mga proyekto sa pagkuha sa mga altitude sa ilalim ng 1000m, pinangangasiwaan nito ang mga temperatura mula -30°C hanggang 40°C nang walang problema.

Tinitiyak namin na ang LB6-35 Current Transformer ay nakakatugon sa mga internasyonal na pamantayan ng kalidad, kaya akma ito mismo sa iyong medium-voltage power system. Kailangan ng mga detalyadong spec, custom na quote, o tulong sa maramihang pagbili? Makipag-ugnayan lamang sa Welcome (Wenzhou) Electric Co., Ltd. Tutulungan ng aming team na i-streamline ang iyong proseso sa pagkuha at magsama-sama ng supply plan na gumagana para sa iyo.

Teknikal na Parameter

Na-rate na boltahe Na-rate ang pangunahing kasalukuyang Na-rate ang pangalawang kasalukuyang Kombinasyon ng klase Na-rate ang pangalawang output Tactor sa limitasyon ng katumpakan
Klase ng katumpakan V/A
35 5~2000 5 P1/P2/0.5 , P/P2/0.2 , P1/P2 , 0.2S P1 40 15
P2 30 20
0.5 40
0.2 30
0.2S 30
Katumpakan panandaliang thermal kasalukuyang dynamic na matatag na kasalukuyang Na-rate na antas ng pagkakabukod polaridad Tiyak na distansya ng creepage timbang ng langis Kabuuang timbang
1s short-time na thermal current 100Sa maximum na40 25ln max100 40.5/95/185 Subtractive 2.5 30-25 162-207

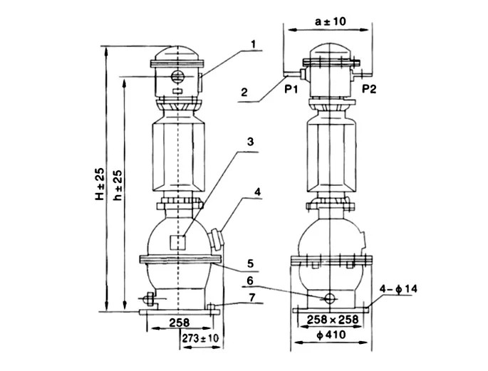
Pagtutukoy

Numero Pangalan Balangkas
1 Tagapagpahiwatig ng antas ng langis
2 Outlet terminal
3 Nameplate
4 Pangalawang junction box
5 Pag-angat ng kawit
6 Sample ng langis balbula
7 Earth stud

Pagsubok sa katumpakan

1, Mga pangunahing parameter
Na-rate na boltahe: 35kV, na angkop para sa katamtamang boltahe na mga sistema ng kuryente, ay isang karaniwang ginagamit na seleksyon para sa pagkuha ng mataas na boltahe na kagamitan
Rated frequency: 50Hz/60Hz, compatible sa mainstream global grid frequency, maaaring direktang iakma sa mga proyekto sa iba't ibang rehiyon
Paraan ng pagkakabukod: Oil paper insulation, gamit ang kumbinasyon ng de-kalidad na insulation oil at insulation paper, na may stable na insulation performance at malakas na resistensya ng boltahe
Form ng pag-install: Uri sa labas, disenyo ng istruktura na angkop para sa panlabas na kapaligiran, kayang labanan ang impluwensya ng mga natural na salik tulad ng hangin, ulan, buhangin, atbp

2, Mga pangunahing teknikal na tagapagpahiwatig
Isang beses na kasalukuyang saklaw: 5A~2000A, sumasaklaw sa karamihan ng mga kinakailangan sa pagsukat para sa mga kondisyon sa pagtatrabaho. Kasama sa mga karaniwang pagtutukoy ang 5/5, 10/5, 30/5, atbp., na sumusuporta sa pagpapasadya ng mga espesyal na pagtutukoy ayon sa mga pangangailangan sa pagkuha
Pangalawang kasalukuyang: karaniwang 5A na output, alinsunod sa mga internasyonal na pamantayan ng interface ng unibersal, ay maaaring direktang itugma sa mga sumusuportang kagamitan tulad ng mga electric meter at relay
Thermal stability current: 1 segundong epektibong value (hal. 5A current ay tumutugma sa 0.5kA, 2000A current ay tumutugma sa 1020kA), kayang makatiis ng panandaliang thermal shock sa ilalim ng mga kondisyon ng fault nang walang anumang panganib ng pinsala
Dynamic stable current: peak output (hal. 5A current ay tumutugma sa 1.28kA, 2000A current ay tumutugma sa 2550kA), kayang labanan ang electromagnetic force na nabuo ng short-circuit current at mapanatili ang structural integrity
Limitasyon sa pagtaas ng temperatura: Ang pinakamataas na pagtaas ng temperatura ng winding ay 55 ℃ (sinusukat sa paraan ng paglaban/paraan ng thermometer), at ang pinakamataas na pagtaas ng temperatura ng tuktok na layer ng langis ay 50 ℃ (sinusukat sa paraan ng thermometer), na epektibong maiwasan ang pagtanda ng pagkakabukod dahil sa sobrang pag-init at pagpapahaba ng buhay ng serbisyo ng produkto

3、 Mga pag-iingat para sa paggamit at pagkuha
Produksyon at pagpapanatili: Ang LB6-35 Current Transformer ay sumasailalim sa vacuum drying at oil immersion treatment bago umalis sa pabrika upang lubusang alisin ang moisture at hangin, na tinitiyak ang pagiging maaasahan ng pagkakabukod; Dahil sa hindi ganap na selyadong istraktura, ang kalidad ng langis ay kailangang regular na suriin habang ginagamit, at maaaring kailanganin ang pagsasala o pagpapalit upang matiyak ang tuluy-tuloy at matatag na operasyon ng kagamitan.

Mga naaangkop na sitwasyon:

Ang LB6-35 Current Transformer ay partikular na idinisenyo para sa kasalukuyang pagsubaybay at proteksyon ng mga linya ng transmisyon na may mataas na boltahe, maaari itong magbigay ng tumpak na kasalukuyang mga signal, suportahan ang pagsukat ng enerhiya, proteksyon ng relay, at kontrol ng system, at matiyak ang ligtas at matatag na operasyon ng grid ng kuryente.
Kung kailangan mong higit na maunawaan ang detalyadong teknikal na impormasyon ng produkto, kumuha ng customized na mga panipi, o kumonsulta sa maramihang mga plano sa pagkuha, mangyaring huwag mag-atubiling makipag-ugnayan sa Welcome (Wenzhou) Electric Co., Ltd. Magbibigay kami ng propesyonal na high-voltage na pagkuha ng kagamitan at mga sumusuportang serbisyo upang matugunan ang iyong aktwal na mga pangangailangan sa proyekto.

Mga Hot Tags: LB6-35 Kasalukuyang Transformer, China, Manufacturer, Supplier, Pabrika, Pakyawan, Customized, sa Stock, Made in China, Mababang Presyo, Kalidad
Magpadala ng Inquiry
Impormasyon sa Pakikipag-ugnayan
Magpadala ng katanungan sa Comewill para sa switchgear, vacuum circuit breaker, kasalukuyang transpormer. Kumuha ng mga customized na quote, mababang presyo o suporta ng eksperto mula sa aming factory team sa China.
X
Gumagamit kami ng cookies para mag-alok sa iyo ng mas magandang karanasan sa pagba-browse, pag-aralan ang trapiko sa site at i-personalize ang content. Sa paggamit ng site na ito, sumasang-ayon ka sa aming paggamit ng cookies. Patakaran sa Privacy
Tanggihan Tanggapin